Membrānas tipa gaisa pūtēji Alita / OEM sūkņu sērija
ALITA - AL6B/SB, AL15B/SB, AL30B/SB, AL40B/SB, AL50B/SB
Raksturojums:
- stabila un nepārtraukta gaisa plūsma
- klusa darbība un zemas vibrācijas
- augsta efektivitāte
- neliels elektroenerģijas patēriņš
- ilgs darbmūžs
- nav nepieciešama eļļošana
- kompakta un viegla konstrukcija
- vienkārša apkope
- siltumaizsardzība
- izmantojams telpās un ārpus tām
- uzticama darbība pārtraukta vai nepārtraukta darba režīmā
- drošības konstrukcija
- automātiska membrānu kļūdas atklāšana
Pielietojums:
- notekūdeņu attīrīšana
- piesātināšana ar gaisu - zivju dīķi, akvāriji
- burbuļvannas, izklaides centri
- šķīdumu samaisīšana
- gaisa tīrīšana un paraugu ņemšana
- pneimatiskās gultas, gaisa matrači
- medicīnas un pētniecības aprīkojums
- dažādas rūpniecības nozares
Princips:
Gāze ierīcē tiek iesūkta pa ieplūdes īscauruli ar iebūvētu trokšņa slāpētāju (1). Sānu kanālā (2) tai darbrats (3) piešķir savu ātrumu, un gāze ar centrbēdzes spēku spiež uz kompresijas kameras perimetru. Šādi pa spirāles veida ceļu gāze atkārtoti tiek saspiesta līdz pat izplūdes īscaurulei (4), pa kuru tā tiek izvadīta ārā. Vairāku pakāpju gaisa pūtēju gadījumā gāze tiek vadīta caur vairākām kompresijas kamerām, kas ir novietotas viena aiz otras, šādi sasniedzot augstāku spiedienu starpību.

|
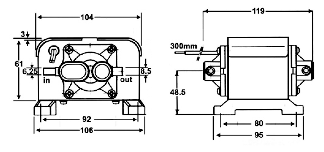
AL-6B AL-15B AL-20B |
![]() |
![]() |
|
AL-6SB AL-15SB AL-20SB |
![]() |
![]() |
|
AL-30B AL-40B AL-50B |
![]() |
![]() |
|
AL-30SB AL-40SB AL-50SB |
![]() |
![]() |
Piedāvājam modeļus līdz AL-120B/SB.
|
|
Produkts ALITA atbilst Eiropas Parlamenta un Padomes Direktīvas 2002/95/EK (2003. gada 27. janvāris) par dažu bīstamu vielu izmantošanas ierobežošanu elektriskās un elektroniskās iekārtās prasībām. | Standarta lineārie gaisa sūkņi ALITA atbilst Eiropas Kopienas (CE) Direktīvas par mašīnbūves iekārtām prasībām. |











